Click to Enlarge


 < BACK >

< HOME >

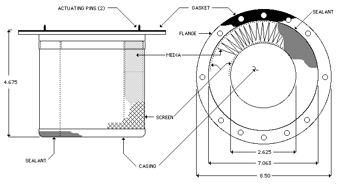
C-vac Part Number 6286H7

 

Any use and/or reproduction of the contents of this page without the expressed written permission of Critical-Vac Filtration Corp. is strictly prohibited. C-vac reserves the right to modify its products and specifications without notice. See Terms of Use.